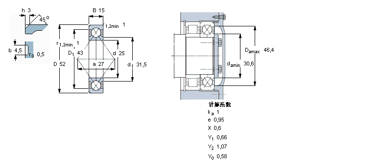
简介: SKF轴承QJ205N2MA 类型为角接触球轴承, 四点接触球轴承, 内径为:25mm外径为:52mm厚度为:15mm 轴承内圈,外圈更多详细资料您可致电我司,获取SKF QJ205N2MA轴承 配合安装尺寸,基本尺寸,滚子粒数,QJ205N2MA价格,外形尺寸,锥度, 轴承的图纸、样品、价格或者替换产品等!咨询电话:0512-62658883
角接触球轴承, 四点接触球轴承QJ205N2MA轴承 样本图纸
| 角接触球轴承, 四点接触球轴承 | ||||||||||
| 公差 , 参见文字 | ||||||||||
| 轴向内部间隙, 参见文字 | ||||||||||
| 推荐配合 | ||||||||||
| 轴和轴承座公差 | ||||||||||
|
|
||||||||||
| 主要数据尺寸 | 基本负荷额定值 | 疲劳负荷限值 | 额定速度 | 体积 | 型号 | |||||
| 动态 | 静态 | 参照速度 | 限制速度 | |||||||
| d | D | B | C | C0 | Pu | * - SKF Explorer 轴承 | ||||
|
|
||||||||||
| mm | kN | kN | r/min | kg | - | |||||
|
|
||||||||||
| 25 | 52 | 15 | 27 | 21,2 | 0,9 | 16000 | 22000 | 0,16 | QJ 205 N2MA * | |
同类型型号
随机推荐型号