简介: SKF轴承SAA70ES-2RS 类型为需要维护的杆端, 钢对钢,阳螺纹, 两面密封件, 轴承内圈,外圈更多详细资料您可致电我司,获取SKF SAA70ES-2RS轴承 游隙尺寸,游隙尺寸表,滚子粒数,SAA70ES-2RS报价,价格,外形尺寸,锥度, 轴承的图纸、样品、价格或者替换产品等!咨询电话:0512-62658883
需要维护的杆端, 钢对钢,阳螺纹, 两面密封件SAA70ES-2RS轴承 样本图纸
| 需要维护的杆端, 钢对钢,阳螺纹, 两面密封件 | |||||||||||
| 公差 , 参见文字 | |||||||||||
| 径向内部游隙 , 参见文字 | |||||||||||
|
|
|||||||||||
| 主要数据尺寸 | 角度倾的 | 基本负荷额定值 | 质量 | 型号 | |||||||
| 动态 | 静态 | 杆端带右或左旋螺纹 | |||||||||
| d | d2 | B | d3 | C1 | h | ± | C | C0 | |||
| 6g | |||||||||||
|
|
|||||||||||
| mm | 度数 | kN | kg | - | |||||||
|
|
|||||||||||
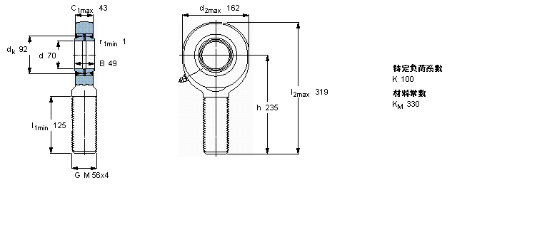
| 70 | 162 | 49 | M 56x4 | 43 | 235 | 6 | 315 | 490 | 7,90 | SAA 70 ES-2RS | |
同类型型号
随机推荐型号