简介: SKF轴承SAKAC5M 类型为需要维护的杆端, 钢对青铜,阳螺纹, 轴承内圈,外圈更多详细资料您可致电我司,获取SKF SAKAC5M轴承 代号,SAKAC5M基本尺寸,安装尺寸,基本额定载荷,精度等级,装配, 轴承的图纸、样品、价格或者替换产品等!咨询电话:0512-62658883
需要维护的杆端, 钢对青铜,阳螺纹SAKAC5M轴承 样本图纸
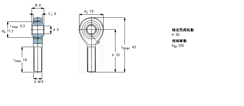
| 需要维护的杆端, 钢对青铜,阳螺纹 | |||||||||||
| 公差 , 参见文字 | |||||||||||
| 径向内部游隙 , 参见文字 | |||||||||||
|
|
|||||||||||
| 主要数据尺寸 | 角度倾的 | 基本负荷额定值 | 质量 | 型号 | |||||||
| 动态 | 静态 | 轴承座完全与 | |||||||||
| d | d2 | B | d3 | C1 | h | ± | C | C0 | |||
| 6g | |||||||||||
|
|
|||||||||||
| mm | 度数 | kN | kg | - | |||||||
|
|
|||||||||||
| 5 | 19 | 8 | M 5 | 6 | 33 | 13 | 3,25 | 4,8 | 0,014 | SAKAC 5 M | |
同类型型号
随机推荐型号