SYNT90LTF轴承

更新日期:2026/3/17

简介: SKF轴承SYNT90LTF 类型为滚子轴承立式轴承座单元, SKF ConCentra, non-locating units, radial shaft seals, 轴承内圈,外圈更多详细资料您可致电我司,获取SKF SYNT90LTF轴承 游隙尺寸,游隙尺寸表,滚子粒数,SYNT90LTF报价,价格,外形尺寸,锥度, 轴承的图纸、样品、价格或者替换产品等!咨询电话:0512-62658883

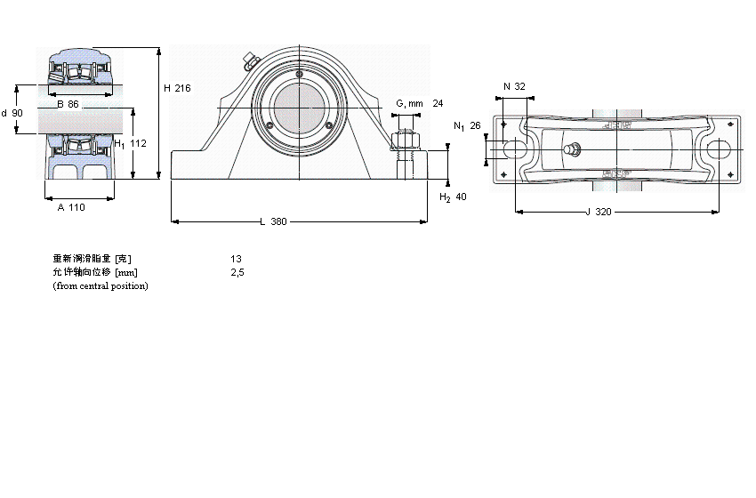
滚子轴承立式轴承座单元, SKF ConCentra, non-locating units, radial shaft sealsSYNT90LTF轴承 样本图纸

SKF 滚子轴承立式轴承座单元, SKF ConCentra, non-locating units, radial shaft sealsSYNT90LTF样本图片
                         
  滚子轴承立式轴承座单元, SKF ConCentra, non-locating units, radial shaft seals  
  尺寸 尺寸 [英寸] 疲劳负荷限值 限制速度 体积 型号 轴承,基本型号
    动态 静态          
  da A H H1 L C C0 Pu        
  mm kN kN r/min kg - -
 9011021611238032537539105021SYNT 90 LTF22218 E

同类型型号

随机推荐型号

Copyright © 2022.恩梯必传动设备(苏州)有限公司