简介: SKF轴承W6203-2Z 类型为深沟球轴承, 单列,不锈钢, 两面防尘罩, 内径为:17mm外径为:40mm厚度为:12mm 轴承内圈,外圈更多详细资料您可致电我司,获取SKF W6203-2Z轴承 代号,W6203-2Z基本尺寸,安装尺寸,基本额定载荷,精度等级,装配, 轴承的图纸、样品、价格或者替换产品等!咨询电话:0512-62658883
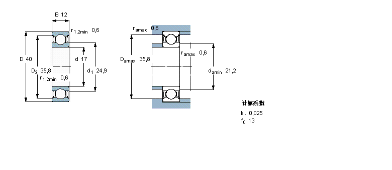
深沟球轴承, 单列,不锈钢, 两面防尘罩W6203-2Z轴承 样本图纸
| 深沟球轴承, 单列,不锈钢, 两面防尘罩 | ||||||||||
| 公差 , 参见文字 | ||||||||||
| 径向内部游隙 , 参见文字 | ||||||||||
| 推荐配合 | ||||||||||
| 轴和轴承座公差 | ||||||||||
|
|
||||||||||
| 主要数据尺寸 | 基本负荷额定值 | 疲劳负荷限值 | 额定速度 | 体积 | 型号 | |||||
| 动态 | 静态 | 参照速度 | 限制速度 | |||||||
| d | D | B | C | C0 | Pu | |||||
|
|
||||||||||
| mm | kN | kN | r/min | kg | - | |||||
|
|
||||||||||
| 17 | 40 | 12 | 8,06 | 4,65 | 0,2 | 38000 | 19000 | 0,065 | W 6203-2Z | |
同类型型号
随机推荐型号