简介: SKF轴承W6300-2Z 类型为深沟球轴承, 单列,不锈钢, 两面防尘罩, 内径为:10mm外径为:35mm厚度为:11mm 轴承内圈,外圈更多详细资料您可致电我司,获取SKF W6300-2Z轴承 配合安装尺寸,基本尺寸,滚子粒数,W6300-2Z价格,外形尺寸,锥度, 轴承的图纸、样品、价格或者替换产品等!咨询电话:0512-62658883
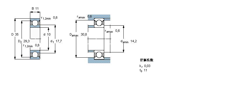
深沟球轴承, 单列,不锈钢, 两面防尘罩W6300-2Z轴承 样本图纸
| 深沟球轴承, 单列,不锈钢, 两面防尘罩 | ||||||||||
| 公差 , 参见文字 | ||||||||||
| 径向内部游隙 , 参见文字 | ||||||||||
| 推荐配合 | ||||||||||
| 轴和轴承座公差 | ||||||||||
|
|
||||||||||
| 主要数据尺寸 | 基本负荷额定值 | 疲劳负荷限值 | 额定速度 | 体积 | 型号 | |||||
| 动态 | 静态 | 参照速度 | 限制速度 | |||||||
| d | D | B | C | C0 | Pu | |||||
|
|
||||||||||
| mm | kN | kN | r/min | kg | - | |||||
|
|
||||||||||
| 10 | 35 | 11 | 6,76 | 3,25 | 0,143 | 50000 | 26000 | 0,053 | W 6300-2Z | |
同类型型号
随机推荐型号