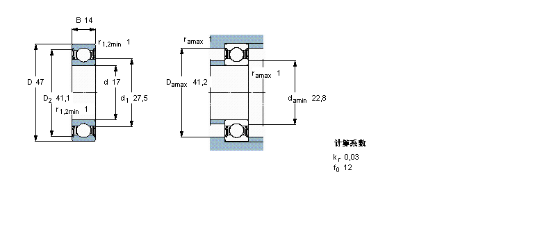
简介: SKF轴承W6303-2RS1 类型为深沟球轴承, 单列,不锈钢, 两面密封件, 内径为:17mm外径为:47mm厚度为:14mm 轴承内圈,外圈更多详细资料您可致电我司,获取SKF W6303-2RS1轴承 配合安装尺寸,安装尺寸,重量,额定动负荷,载荷,W6303-2RS1极限转速,游隙, 轴承的图纸、样品、价格或者替换产品等!咨询电话:0512-62658883
深沟球轴承, 单列,不锈钢, 两面密封件W6303-2RS1轴承 样本图纸
| 深沟球轴承, 单列,不锈钢, 两面密封件 | ||||||||||
| 公差 , 参见文字 | ||||||||||
| 径向内部游隙 , 参见文字 | ||||||||||
| 推荐配合 | ||||||||||
| 轴和轴承座公差 | ||||||||||
|
|
||||||||||
| 主要数据尺寸 | 基本负荷额定值 | 疲劳负荷限值 | 额定速度 | 体积 | 型号 | |||||
| 动态 | 静态 | 参照速度 | 限制速度 | |||||||
| d | D | B | C | C0 | Pu | |||||
|
|
||||||||||
| mm | kN | kN | r/min | kg | - | |||||
|
|
||||||||||
| 17 | 47 | 14 | 11,4 | 6,3 | 0,275 | - | 11000 | 0,12 | W 6303-2RS1 | |
同类型型号
随机推荐型号