简介: SKF轴承22214EK+H314 类型为球面滚子轴承, 带紧定套的, 内径为:60mm外径为:125mm厚度为:31mm 轴承内圈,外圈更多详细资料您可致电我司,获取SKF 22214EK+H314轴承 配合安装尺寸,基本尺寸,滚子粒数,22214EK+H314价格,外形尺寸,锥度, 轴承的图纸、样品、价格或者替换产品等!咨询电话:0512-62658883
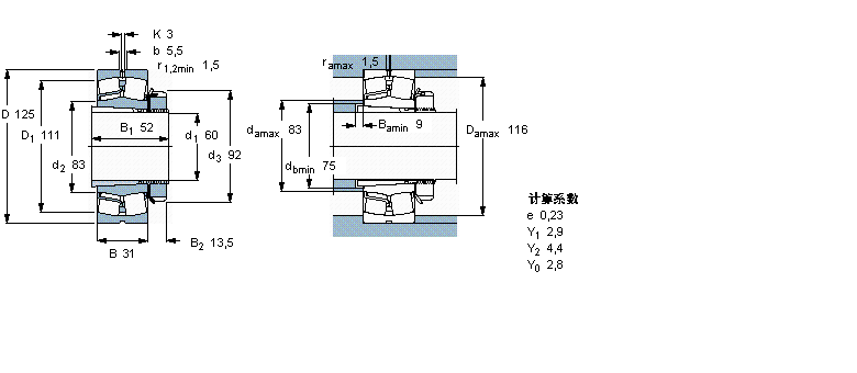
球面滚子轴承, 带紧定套的22214EK+H314轴承 样本图纸
| 球面滚子轴承, 带紧定套的 | ||||||||||
| 公差 , 参见文字 | ||||||||||
| 径向内部游隙 , 参见文字 | ||||||||||
| 推荐配合 | ||||||||||
| 轴和轴承座公差 | ||||||||||
|
|
||||||||||
| 主要数据尺寸 | 基本负荷额定值 | 疲劳负荷限值 | 额定速度 | 体积 | 型号 | |||||
| 动态 | 静态 | 参照速度 | 限制速度 | 轴承 + 紧定套 | ||||||
| d1 | D | B | C | C0 | Pu | |||||
| * - SKF Explorer 轴承 | ||||||||||
|
|
||||||||||
| mm | kN | kN | r/min | kg | - | |||||
|
|
||||||||||
| 60 | 125 | 31 | 208 | 228 | 25,5 | 5000 | 6700 | 2,15 | 22214 EK + H 314 * | |
同类型型号
随机推荐型号