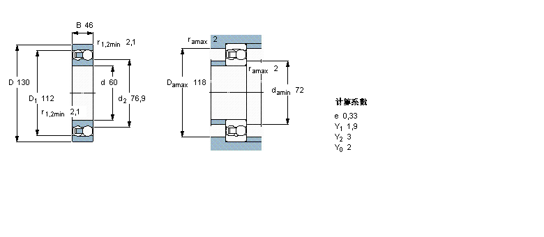
简介: SKF轴承2312 类型为自调心球轴承, 圆柱孔和圆锥孔, 圆柱型内孔, 无密封件, 内径为:60mm外径为:130mm厚度为:46mm 轴承内圈,外圈更多详细资料您可致电我司,获取SKF 2312轴承 代号,2312基本尺寸,安装尺寸,基本额定载荷,精度等级,装配, 轴承的图纸、样品、价格或者替换产品等!咨询电话:0512-62658883
自调心球轴承, 圆柱孔和圆锥孔, 圆柱型内孔, 无密封件2312轴承 样本图纸
| 自调心球轴承, 圆柱孔和圆锥孔, 圆柱型内孔, 无密封件 | ||||||||||
| 公差 , 参见文字 | ||||||||||
| 径向内部游隙 , 参见文字 | ||||||||||
| 推荐配合 | ||||||||||
| 轴和轴承座公差 | ||||||||||
|
|
||||||||||
| 主要数据尺寸 | 基本负荷额定值 | 疲劳负荷限值 | 额定速度 | 体积 | 型号 | |||||
| 动态 | 静态 | 参照速度 | 限制速度 | |||||||
| d | D | B | C | C0 | Pu | |||||
|
|
||||||||||
| mm | kN | kN | r/min | kg | - | |||||
|
|
||||||||||
| 60 | 130 | 46 | 87,1 | 28,5 | 1,46 | 9500 | 7000 | 2,60 | 2312 | |
同类型型号
随机推荐型号