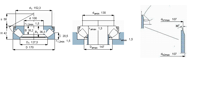
简介: SKF轴承29320E 类型为球面滚子推力轴承, 球面滚子推力轴承, 内径为:100mm外径为:170mm厚度为:42mm 轴承内圈,外圈更多详细资料您可致电我司,获取SKF 29320E轴承 游隙尺寸,游隙尺寸表,滚子粒数,29320E报价,价格,外形尺寸,锥度, 轴承的图纸、样品、价格或者替换产品等!咨询电话:0512-62658883
球面滚子推力轴承, 球面滚子推力轴承29320E轴承 样本图纸
| 球面滚子推力轴承, 球面滚子推力轴承 | |||||||||||
| 公差 , 参见文字 | |||||||||||
| 推荐配合 | |||||||||||
| 轴和轴承座公差 | |||||||||||
|
|
|||||||||||
| 主要数据尺寸 | 尺寸 [英寸] | 疲劳负荷限值 | 最小负荷系数 | 额定速度 | 体积 | 型号 | |||||
| 动态 | 静态 | 参照速度 | 限制速度 | ||||||||
| d | D | H | C | C0 | Pu | * - SKF Explorer 轴承 | |||||
|
|
|||||||||||
| mm | kN | kN | - | r/min | kg | - | |||||
|
|
|||||||||||
| 100 | 170 | 42 | 465 | 1290 | 156 | 0,16 | 2200 | 3600 | 3,65 | 29320 E * | |
同类型型号
随机推荐型号