简介: SKF轴承29420E 类型为球面滚子推力轴承, 球面滚子推力轴承, 内径为:100mm外径为:210mm厚度为:67mm 轴承内圈,外圈更多详细资料您可致电我司,获取SKF 29420E轴承 代号,29420E基本尺寸,安装尺寸,基本额定载荷,精度等级,装配, 轴承的图纸、样品、价格或者替换产品等!咨询电话:0512-62658883
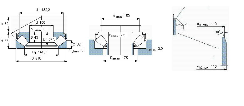
球面滚子推力轴承, 球面滚子推力轴承29420E轴承 样本图纸
| 球面滚子推力轴承, 球面滚子推力轴承 | |||||||||||
| 公差 , 参见文字 | |||||||||||
| 推荐配合 | |||||||||||
| 轴和轴承座公差 | |||||||||||
|
|
|||||||||||
| 主要数据尺寸 | 尺寸 [英寸] | 疲劳负荷限值 | 最小负荷系数 | 额定速度 | 体积 | 型号 | |||||
| 动态 | 静态 | 参照速度 | 限制速度 | ||||||||
| d | D | H | C | C0 | Pu | * - SKF Explorer 轴承 | |||||
|
|
|||||||||||
| mm | kN | kN | - | r/min | kg | - | |||||
|
|
|||||||||||
| 100 | 210 | 67 | 980 | 2500 | 275 | 0,59 | 1700 | 3000 | 10,5 | 29420 E * | |
同类型型号
随机推荐型号