简介: SKF轴承NKIB5908 类型为组合式滚针轴承, 滚针/角接触球轴承, 轴向负荷 双向, 内径为:40mm外径为:62mm厚度为:34mm 轴承内圈,外圈更多详细资料您可致电我司,获取SKF NKIB5908轴承 配合安装尺寸,安装尺寸,重量,额定动负荷,载荷,NKIB5908极限转速,游隙, 轴承的图纸、样品、价格或者替换产品等!咨询电话:0512-62658883
组合式滚针轴承, 滚针/角接触球轴承, 轴向负荷 双向NKIB5908轴承 样本图纸
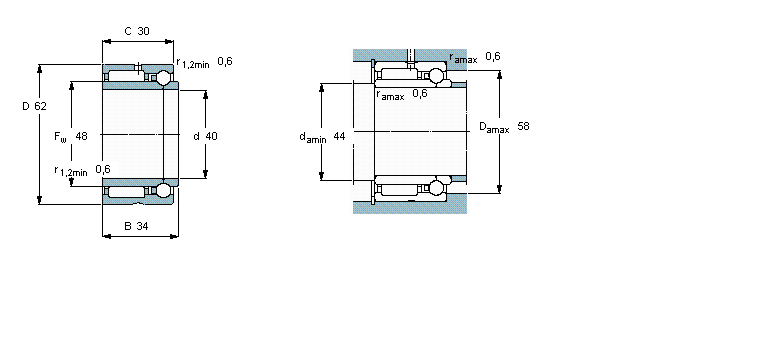
| 组合式滚针轴承, 滚针/角接触球轴承, 轴向负荷 双向 | |||||||||||||
| 公差 , 参见文字 | |||||||||||||
| 径向内部游隙 , 参见文字 | |||||||||||||
| 推荐配合 | |||||||||||||
| 轴和轴承座公差 | |||||||||||||
|
|
|||||||||||||
| 主要数据尺寸 | 基本负荷额定值 | 疲劳负荷限值 | 额定速度 | 体积 | 型号 | ||||||||
| 径向 | 轴向 | 参照速度 | 限制速度 | ||||||||||
| 动态 | 静态 | 动态 | 静态 | 径向 | 轴向 | ||||||||
| d | D | B | C | C0 | C | C0 | Pu | Pu | |||||
|
|
|||||||||||||
| mm | kN | kN | r/min | kg | - | ||||||||
|
|
|||||||||||||
| 40 | 62 | 34 | 42,9 | 71 | 7,17 | 10,9 | 8,8 | 0,467 | 8000 | 9500 | 0,32 | NKIB 5908 | |
同类型型号
随机推荐型号