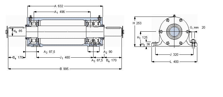
简介: SKF轴承PDRJ319 类型为双轴承单元, PDRJ单元, 内径为:85mm外径为:995mm厚度为:253mm 轴承内圈,外圈更多详细资料您可致电我司,获取SKF PDRJ319轴承 游隙尺寸,游隙尺寸表,滚子粒数,PDRJ319报价,价格,外形尺寸,锥度, 轴承的图纸、样品、价格或者替换产品等!咨询电话:0512-62658883
双轴承单元, PDRJ单元PDRJ319轴承 样本图纸
| 双轴承单元, PDRJ单元 | ||||||||||
| 
             | 
        
||||||||||
| 尺寸 | 整体轴承 | 质量 | 型号 | |||||||
| 轴承座与 | Key405 | 轴承单元 | ||||||||
| db | B | H | H1 | L | ||||||
| 
             | 
        
||||||||||
| mm | - | kg | - | |||||||
| 
             | 
        
||||||||||
| 85 | 995 | 253 | 125 | 400 | NU 319 ECP | 6319/C3 | NU 319 ECP | 164 | PDRJ 319 | |
同类型型号
随机推荐型号