简介: SKF轴承PDRJ322 类型为双轴承单元, PDRJ单元, 内径为:100mm外径为:1127mm厚度为:296mm 轴承内圈,外圈更多详细资料您可致电我司,获取SKF PDRJ322轴承 配合安装尺寸,基本尺寸,滚子粒数,PDRJ322价格,外形尺寸,锥度, 轴承的图纸、样品、价格或者替换产品等!咨询电话:0512-62658883
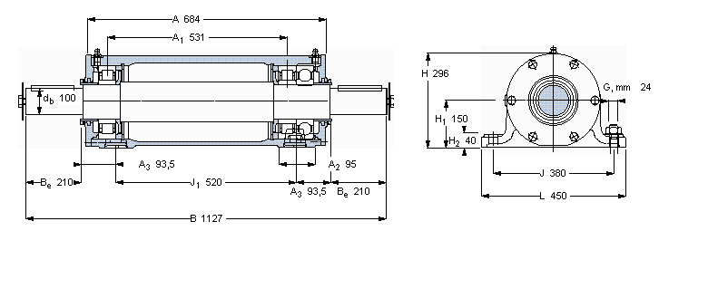
双轴承单元, PDRJ单元PDRJ322轴承 样本图纸
| 双轴承单元, PDRJ单元 | ||||||||||
|
|
||||||||||
| 尺寸 | 整体轴承 | 质量 | 型号 | |||||||
| 轴承座与 | Key405 | 轴承单元 | ||||||||
| db | B | H | H1 | L | ||||||
|
|
||||||||||
| mm | - | kg | - | |||||||
|
|
||||||||||
| 100 | 1127 | 296 | 150 | 450 | NU 322 ECP | 6322/C3 | NU 322 ECP | 240 | PDRJ 322 | |
同类型型号
随机推荐型号