简介: SKF轴承SAKAC18M 类型为需要维护的杆端, 钢对青铜,阳螺纹, 轴承内圈,外圈更多详细资料您可致电我司,获取SKF SAKAC18M轴承 配合安装尺寸,安装尺寸,重量,额定动负荷,载荷,SAKAC18M极限转速,游隙, 轴承的图纸、样品、价格或者替换产品等!咨询电话:0512-62658883
需要维护的杆端, 钢对青铜,阳螺纹SAKAC18M轴承 样本图纸
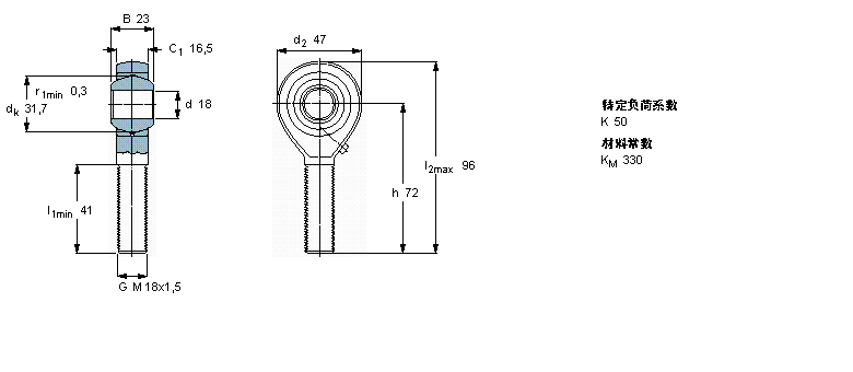
| 需要维护的杆端, 钢对青铜,阳螺纹 | |||||||||||
| 公差 , 参见文字 | |||||||||||
| 径向内部游隙 , 参见文字 | |||||||||||
|
|
|||||||||||
| 主要数据尺寸 | 角度倾的 | 基本负荷额定值 | 质量 | 型号 | |||||||
| 动态 | 静态 | 轴承座完全与 | |||||||||
| d | d2 | B | d3 | C1 | h | ± | C | C0 | |||
| 6g | |||||||||||
|
|
|||||||||||
| mm | 度数 | kN | kg | - | |||||||
|
|
|||||||||||
| 18 | 47 | 23 | M 18x1,5 | 16,5 | 72 | 15 | 26 | 29 | 0,29 | SAKAC 18 M | |
同类型型号
随机推荐型号