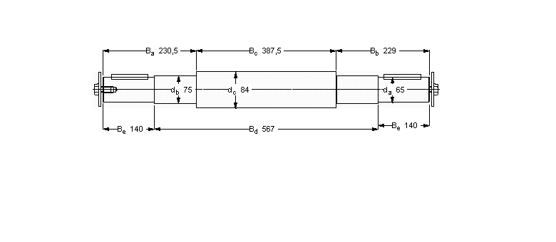
简介: SKF轴承VJ-PDNB315 类型为双轴承单元, 用PDNB单元的轴, 内径为:65mm外径为:75mm厚度为:230.5mm 轴承内圈,外圈更多详细资料您可致电我司,获取SKF VJ-PDNB315轴承 配合安装尺寸,基本尺寸,滚子粒数,VJ-PDNB315价格,外形尺寸,锥度, 轴承的图纸、样品、价格或者替换产品等!咨询电话:0512-62658883
双轴承单元, 用PDNB单元的轴VJ-PDNB315轴承 样本图纸
| 双轴承单元, 用PDNB单元的轴 | ||||||||||
|
|
||||||||||
| 尺寸 | 键 | 质量 | 型号 | |||||||
| da | db | Ba | Bb | Bc | Bd | Be | ||||
|
|
||||||||||
| mm | - | kg | - | |||||||
|
|
||||||||||
| 65 | 75 | 230,5 | 229 | 387,5 | 567 | 140 | 18x11x100 | 30,0 | VJ-PDNB 315 | |
同类型型号
随机推荐型号