简介: SKF轴承VJ-PDNB309 类型为双轴承单元, 用PDNB单元的轴, 内径为:38mm外径为:45mm厚度为:151.5mm 轴承内圈,外圈更多详细资料您可致电我司,获取SKF VJ-PDNB309轴承 配合安装尺寸,安装尺寸,重量,额定动负荷,载荷,VJ-PDNB309极限转速,游隙, 轴承的图纸、样品、价格或者替换产品等!咨询电话:0512-62658883
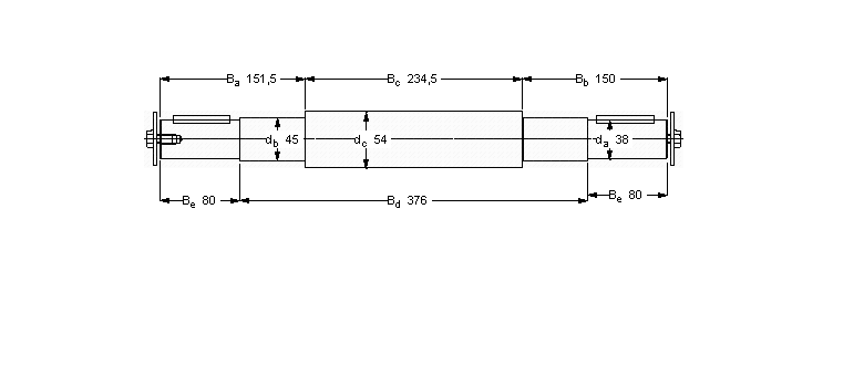
双轴承单元, 用PDNB单元的轴VJ-PDNB309轴承 样本图纸
| 双轴承单元, 用PDNB单元的轴 | ||||||||||
|
|
||||||||||
| 尺寸 | 键 | 质量 | 型号 | |||||||
| da | db | Ba | Bb | Bc | Bd | Be | ||||
|
|
||||||||||
| mm | - | kg | - | |||||||
|
|
||||||||||
| 38 | 45 | 151,5 | 150 | 234,5 | 376 | 80 | 10x8x63 | 7,30 | VJ-PDNB 309 | |
同类型型号
随机推荐型号